今天為您介紹的是——MVR過熱蒸汽污泥連續干燥系統
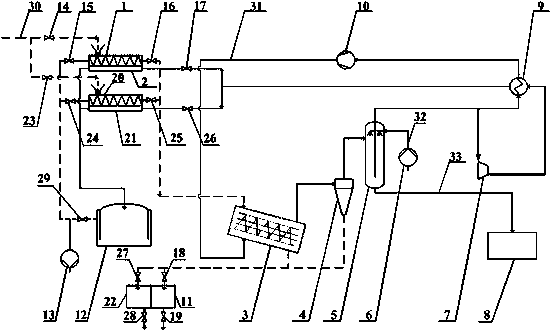
MVR過熱蒸汽污泥連續干燥系統及工作方法,屬于能源與動力等領域。其特征在于:與傳統污泥干燥系統相比,該系統采用干燥器(3),利用過熱蒸汽(31)與待干燥污泥直接換熱,并通過控制閥門開啟關閉,使進料裝置(1)、預熱器(2)與第二進料裝置(20)、第二預熱器(21),儲泥罐(11)與第二儲泥罐(22)交替工作,實現干燥器(3)內負壓連續性操作;該系統在負壓環境下,利用吸濕能力更強的過熱蒸汽(31)為干燥介質,大大提高污泥干燥速率;同時,該系統僅消耗少量壓縮機(7)及風機(10)的功耗,通過換熱器(9)回收了大部分從污泥(30)中蒸發出來的水蒸氣的潛熱,是一種高效節能的污泥干燥方法。

權利要求書
1.一種MVR過熱蒸汽污泥連續干燥系統及工作方法,其特征在于:
該系統包括進料裝置(1)、預熱器(2)、干燥器(3)、旋風分離器(4)、洗氣塔(5)、水泵(6)、壓縮機(7)、污水罐(8)、換熱器(9)、風機(10)、儲泥罐(11)、凝水罐(12)、真空泵(13)、閥門(14)、第二閥門(15)、第三閥門(16)、第四閥門(17)、第五閥門(18)、第六閥門(19)、第二進料裝置(20)、第二預熱器(21)、第二儲泥罐(22)、第七閥門(23)、第八閥門(24)、第九閥門(25)、第十閥門(26)、第十一閥門(27)、第十二閥門(28)、第十三閥門(29);
上述進料裝置(1)包括污泥入口、污泥出口、抽真空口;
第二進料裝置(20)包括污泥入口、污泥出口、抽真空口;
干燥器(3)包括蒸汽入口、蒸汽出口、污泥入口和污泥出口;
旋風分離器(4)包括入口、氣相出口和污泥出口;
洗氣塔(5)包括氣體入口、水路入口、氣體出口和污水出口;
換熱器(9)包括熱端入口、熱端出口、冷端入口和冷端出口;
上述進料裝置(1)底面與預熱器(2)頂面通過機械連接方式進行連接;第二進料裝置(20)底面與第二預熱器(21)頂面通過機械連接方式進行連接;
待干燥污泥(30)通過閥門(14)與進料裝置(1)污泥入口相連,進料裝置(1)污泥出口通過第三閥門(16)與干燥器(3)的污泥入口相連,真空泵(13)通過第二閥門(15)與進料裝置(1)抽真空口相連;
待干燥污泥(30)通過第七閥門(23)與第二進料裝置(20)污泥入口相連,第二進料裝置(20)污泥出口通過第九閥門(25)與干燥器(3)的污泥入口相連,真空泵(13)通過第八閥門(24)與第二進料裝置(20)抽真空口相連;
干燥器(3)蒸汽出口與旋風分離器(4)的入口相連,旋風分離器(4)的氣相出口與洗氣塔(5)的氣體入口相連,洗氣塔(5)氣體出口分成兩路:一路連接換熱器(9)冷端入口,換熱器(9)冷端出口通過風機(10)與干燥器(3)蒸汽入口相連;另一路通過壓縮機(7)與換熱器(9)熱端入口相連,換熱器(9)熱端出口分成兩路:一路通過第四閥門(17)與預熱器(2)入口相連,預熱器(2)出口與凝水罐(12)入口相連;另一路通過第十閥門(26)與第二預熱器(21)入口相連,第二預熱器(21)出口與凝水罐(12)入口相連,真空泵(13)通過第十三閥門(29)與凝水罐(12)抽真空口相連;
干燥器(3)的污泥出口和旋風分離器(4)的污泥出口相連后分為兩路:一路通過第五閥門(18)與儲泥罐(11)入口相連,儲泥罐(11)出口通過第六閥門(19)排出污泥;另一路通過第十一閥門(27)與第二儲泥罐(22)入口相連,第二儲泥罐(22)出口通過第十二閥門(28)排出污泥;
洗氣塔(5)的污水出口與污水罐(8)相連,水泵(6)連接洗氣塔(5)水路入口。
2.根據權利要求1所述的一種MVR過熱蒸汽污泥連續干燥系統及工作方法,其特征在于包括以下過程:
首先關閉閥門(14)、第七閥門(23)、第六閥門(19)、第十二閥門(28),打開第二閥門(15)、第三閥門(16)、第四閥門(17)、第五閥門(18)、第八閥門(24)、第九閥門(25)、第十閥門(26)、第十一閥門(27)、第十三閥門(29),利用真空泵(13)進行抽真空,使干燥器(3)處于負壓工作狀態;
然后關閉第二閥門(15)、第三閥門(16)、第四閥門(17)、第五閥門(18)、第八閥門(24)、第九閥門(25)、第十閥門(26)、第十一閥門(27)、第十三閥門(29),打開閥門(14)、第七閥門(23),待干燥的污泥(30)進入進料裝置(1)和第二進料裝置(20),關閉閥門(14)、第七閥門(23),打開第二閥門(15)、第八閥門(24),利用真空泵(13)進行抽真空;
然后關閉第二閥門(15)、第八閥門(24),打開第三閥門(16)、第四閥門(17)、第五閥門(18),對進料裝置(1)中的污泥進行干燥處理;當進料裝置(1)中的污泥干燥完成后,關閉第三閥門(16)、第四閥門(17),打開第九閥門(25)、第十閥門(26),對第二進料裝置(20)中的污泥進行干燥處理,干燥期間打開閥門(14),待干燥污泥(30)進入進料裝置,然后關閉閥門(14),打開第二閥門(15),利用真空泵(13)進行抽真空,然后關閉第二閥門(15);待第二進料裝置(20)中污泥干燥過程結束后,打開第三閥門(16)、第四閥門(17),開始對進料裝置(1)中的污泥進行干燥,如此交替運行,實現污泥負壓連續性干燥;
上述對進料裝置(1)中的污泥進行干燥處理和第二進料裝置(20)中的污泥進行干燥處理的具體步驟如下:
污泥經對應預熱器預熱升溫后進入干燥器(3),污泥中水分在負壓狀態下吸熱蒸發后從干燥器(3)的蒸汽出口出來進入旋風分離器(4),將摻混水蒸汽中的少量污泥分離出來,然后進入洗氣塔(5),水泵(6)出口的水(32)對污泥進行進一步的清洗,洗氣塔(5)污水出口出來的污水(33)進入污水罐(8),清潔度高的水蒸氣分成兩路:一路小部分水蒸氣通過壓縮機(7)壓縮,變成高溫高壓的過熱蒸汽,進入換熱器(9)的熱端放熱后在預熱器(2)中預熱待干燥的污泥,冷凝后進入凝水罐(12);另一路大部分的水蒸氣進入換熱器(9)的冷端吸熱后,經風機(10)加壓后進入干燥器(3)干燥污泥;
干燥器(3)干燥后的污泥與旋風分離器(4)分離出來的污泥混合后排入儲泥罐(11);當儲泥罐(11)裝滿后,打開第十一閥門(27)、關閉第五閥門(18),第二儲泥罐(22)開始工作,然后打開第六閥門(19)將污泥倒掉,兩個儲泥罐交替工作。
說明書
MVR過熱蒸汽污泥連續干燥系統及工作方法
技術領域
本發明涉及一種MVR過熱蒸汽污泥連續干燥系統及工作方法,屬于能源與動力領域。
背景技術
目前我國年廢水排放總量超過400億噸,每年排放污泥約為550~600 萬噸,且不斷增加。估計到2020年,我國污泥的產量將會達到8000t/a, 并且隨著大城市化和城市集群區域的發展,我國污泥處理比較終將走向干燥或焚燒這樣的三級處理。降低污泥含水率是解決目前在污泥處理過程中所遇到的許多問題的關鍵, 是污泥進行資源化(農用、焚燒等)處理處置利用的前提。
常規的污泥干燥是以熱空氣為干燥介質,熱空氣與污泥接觸,帶走污泥內的水分。熱空氣的吸濕能力不強,因此使用熱空氣作為干燥介質時,干燥介質流量很大,且干燥時間很長,效率較低。
使用過熱蒸汽來代替空氣作為干燥介質,相比于熱空氣,過熱蒸汽的吸濕能力較強,同時,過熱蒸汽對環境友好,干燥過程無氧化或燃燒反應,而且蒸汽在膨脹機內膨脹做功,冷凝出水加以回收能量,減少干燥系統能耗。但是使用過熱蒸汽作為干燥介質,當干燥系統仍然處于常壓時,干燥的溫度必須在100℃以上,如此就限制了過熱蒸汽干燥系統的使用。
與常壓下干燥系統相比,真空干燥是將物料置于負壓條件下,負壓條件下,物料中的水與干燥器干燥介質存在壓力差,物料中的水相比于常壓下會更容易蒸發,從而加快了干燥的速率,節省了干燥時間。
在干燥過程中主要的熱量是用于水分蒸發所需要的潛熱,而利用MVR技術回收干燥過程中所消耗的潛熱是現階段降低干燥系統能耗比較切實有效的辦法。
如果能將過熱蒸汽作為干燥介質運用于真空干燥系統,并利用MVR技術降低整個系統的能耗,可以提供一種節能高效的真空干燥方法,不僅提高了干燥的速率,還降低干燥能耗。
發明內容
本發明公開了一種能耗低、效率高的MVR過熱蒸汽污泥連續干燥系統及工作方法。
該系統包括進料裝置、預熱器、干燥器、旋風分離器、洗氣塔、水泵、壓縮機、污水罐、換熱器、風機、儲泥罐、凝水罐、真空泵、閥門、第二閥門、第三閥門、第四閥門、第五閥門、第六閥門、第二進料裝置、第二預熱器、第二儲泥罐、第七閥門、第八閥門、第九閥門、第十閥門、第十一閥門、第十二閥門、第十三閥門;上述進料裝置包括污泥入口、污泥出口、抽真空口;第二進料裝置包括污泥入口、污泥出口、抽真空口;干燥器包括蒸汽入口、蒸汽出口、污泥入口和污泥出口;旋風分離器包括入口、氣相出口和污泥出口;洗氣塔包括氣體入口、水路入口、氣體出口和污水出口;換熱器包括熱端入口、熱端出口、冷端入口和冷端出口;上述進料裝置底面與預熱器頂面通過機械連接方式進行連接;第二進料裝置底面與第二預熱器頂面通過機械連接方式進行連接;待干燥污泥通過閥門與進料裝置污泥入口相連,進料裝置污泥出口通過第三閥門與干燥器的污泥入口相連,真空泵通過第二閥門與進料裝置抽真空口相連;待干燥污泥通過第七閥門與第二進料裝置污泥入口相連,第二進料裝置污泥出口通過第九閥門與干燥器的污泥入口相連,真空泵通過第八閥門與第二進料裝置)抽真空口相連;干燥器蒸汽出口與旋風分離器的入口相連,旋風分離器的氣相出口與洗氣塔的氣體入口相連,洗氣塔氣體出口分成兩路:一路連接換熱器冷端入口,換熱器冷端出口通過風機與干燥器蒸汽入口相連;另一路通過壓縮機與換熱器熱端入口相連,換熱器熱端出口分成兩路:一路通過第四閥門與預熱器入口相連,預熱器出口與凝水罐入口相連;另一路通過第十閥門與第二預熱器入口相連,第二預熱器出口與凝水罐入口相連,真空泵通過第十三閥門與凝水罐抽真空口相連;干燥器的污泥出口和旋風分離器的污泥出口相連后分為兩路:一路通過第五閥門與儲泥罐入口相連,儲泥罐出口通過第六閥門排出污泥;另一路通過第十一閥門與第二儲泥罐入口相連,第二儲泥罐出口通過第十二閥門排出污泥;洗氣塔的污水出口與污水罐相連,水泵連接洗氣塔水路入口。
根據本發明所述的一種MVR過熱蒸汽污泥連續干燥系統及工作方法,其特征在于包括以下過程:首先關閉閥門、第七閥門、第六閥門、第十二閥門,打開第二閥門、第三閥門、第四閥門、第五閥門、第八閥門、第九閥門、第十閥門、第十一閥門、第十三閥門,利用真空泵進行抽真空,使干燥器處于負壓工作狀態;然后關閉第二閥門、第三閥門、第四閥門、第五閥門、第八閥門、第九閥門、第十閥門、第十一閥門)、第十三閥門,打開閥門、第七閥門,待干燥的污泥進入進料裝置和第二進料裝置,關閉閥門、第七閥門,打開第二閥門、第八閥門,利用真空泵進行抽真空;然后關閉第二閥門、第八閥門,打開第三閥門、第四閥門、第五閥門,對進料裝置中的污泥進行干燥處理;當進料裝置中的污泥干燥完成后,關閉第三閥門、第四閥門,打開第九閥門、第十閥門,對第二進料裝置中的污泥進行干燥處理,干燥期間打開閥門,待干燥污泥進入進料裝置,然后關閉閥門,打開第二閥門,利用真空泵進行抽真空,然后關閉第二閥門;待第二進料裝置中污泥干燥過程結束后,打開第三閥門、第四閥門,開始對進料裝置中的污泥進行干燥,如此交替運行,實現污泥負壓連續性干燥;上述對進料裝置中的污泥進行干燥處理和第二進料裝置中的污泥進行干燥處理的具體步驟如下:污泥經對應預熱器預熱升溫后進入干燥器,污泥中水分在負壓狀態下吸熱蒸發后從干燥器的蒸汽出口出來進入旋風分離器,將摻混水蒸汽中的少量污泥分離出來,然后進入洗氣塔,水泵出口的水對污泥進行進一步的清洗,洗氣塔污水出口出來的污水進入污水罐,清潔度高的水蒸氣分成兩路:一路小部分水蒸氣通過壓縮機壓縮,變成高溫高壓的過熱蒸汽,進入換熱器的熱端放熱后在預熱器中預熱待干燥的污泥,冷凝后進入凝水罐;另一路大部分的水蒸氣進入換熱器(9)的冷端吸熱后,經風機加壓后進入干燥器干燥污泥;干燥器干燥后的污泥與旋風分離器分離出來的污泥混合后排入儲泥罐。當儲泥罐裝滿后,打開第十一閥門、關閉第五閥門,第二儲泥罐開始工作,然后打開第六閥門將污泥倒掉,兩個儲泥罐交替工作。
該干燥系統在進行干燥的過程中,進入壓縮機的過熱蒸汽流量等于干燥器內蒸發的水的流量,而另一路的流量就是進入干燥器內干燥蒸汽的流量,干燥速率不變時,這兩路過熱蒸汽的流量均保持不變。
根據本發明所述的一種MVR過熱蒸汽污泥連續干燥系統及工作方法,與相同壓力條件下的空氣干燥介質相比,該系統采用了吸濕能力更強的水蒸氣作為干燥介質,干燥器內負壓操作提高了污泥內外水分的濃度差,從而大大提高污泥干燥速率;并通過控制閥門開啟關閉,使不同進料裝置交替工作,實現負壓干燥過程的連續性;大部分的過熱蒸汽一直參與系統的循環,僅僅在換熱器中回收從污泥中蒸發出來的那部分水蒸氣的潛熱,從而在回收干燥熱能的同時,大大降低壓縮機的耗功。

污水處理設備聯系方式:
銷售熱線:010-8022-5898
手機號碼:186-1009-4262





