歡迎訪問北京中天恒遠環保設備有限公司官網!
咨詢熱線:010-8022-5898 手機:18610094262
-
A/O生物接觸氧化污水處理工藝介紹(圖) 2018-03-31 [污水處理] 熱度:416

今天為廣大朋友介紹的是A/O生物接觸氧化污水處理工藝 1、生物接觸氧化工藝又稱淹沒式生物濾池、接觸曝氣法、固著式活性污泥法,其技術原理是在生物反應池內填充填料,已經充氧的污水浸沒全部填料并以一定的流速流經...
-
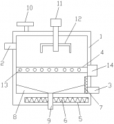
污水處理用調節池介紹(圖) 2018-03-31 [污水處理] 熱度:376

今天為廣大朋友介紹的是污水處理用調節池 污水處理用調節池,包括箱體、進水管、排水管和曝氣管,所述進水管和排水管設在箱體兩側,所述曝氣管設在箱體中部,所述箱體底部設置有空腔,所述空腔內設置有電熱絲,所述...
-
智能水處理器介紹(圖) 2018-03-31 [污水處理] 熱度:221

今天為廣大朋友介紹的是智能水處理器 智能水處理器,包括本體、控制面板和加藥箱以及設置在本體頂端的酸堿中和管,本體的頂端通過加藥管與加藥箱固定連接,本體的底端固定設有排污管,酸堿中和管、加藥管和排污管上...
-
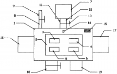
污水處理廠化學除油器自動排泥技術介紹(圖) 2018-03-31 [污水處理] 熱度:358

今天為廣大朋友介紹的是污水處理廠化學除油器自動排泥技術 污水處理廠化學除油器自動排泥裝置,屬于污水處理設備技術領域。該裝置是在化學除油器的四周側壁上連通有多根氮氣管道,氮氣管道的另一端與氮氣源相連;每根...
-
制約反滲透技術因素介紹(圖) 2018-03-31 [污水處理] 熱度:240

今天為廣大朋友介紹的是制約反滲透技術因素 影響反滲透技術的滲透效果因素有很多,主要集中在壓力、溫度、鹽的濃密和滲透膜污染等因素。在滲透過程過程中,反滲透技術對水溫比較敏感,水溫的變化會影響水產量,水溫...
-
循環冷卻水旁流水處理系統方法介紹(圖) 2018-03-31 [污水處理] 熱度:334

今天為廣大朋友介紹的是污水處理氣浮裝置 循環冷卻水旁流水處理系統及旁流水處理方法,該旁流水處理系統包括旁流取水單元;與旁流取水單元連接的電化學水處理裝置,電化學水處理裝置中包括反應室;反應室的底端設有入...
-
污水處理氣浮裝置介紹(圖) 2018-03-31 [污水處理] 熱度:389

今天為廣大朋友介紹的是污水處理氣浮裝置 用于污水處理的氣浮裝置,包括依次連接的原水機構、氣浮機構和催化氧化機構,原水機構包括原水池和污水泵,氣浮機構包括氣浮機、制氧機和臭氧發生器,催化氧化機構包括射流...
-
熱電廠化學水處理回用系統與工藝介紹(圖) 2018-03-31 [污水處理] 熱度:292

今天為廣大朋友介紹的是熱電廠化學水處理回用系統與工藝 熱電廠化學水處理回用系統與工藝,包括多介質過濾器、Super RO膜裝置、EDI裝置、脫鹽水箱;熱電廠化學水通過多介質過濾器的第一進水端進水,多介質過濾器的第...
-
砷污染及砷污染的來源詳細介紹(圖) 2018-03-31 [污水處理] 熱度:534

今天為廣大朋友介紹的是砷污染及砷污染的來源 砷污染是指由砷或其化合物所引起的環境污染。砷和含砷金屬的開采、冶煉,用砷或深化合物作原料的玻璃、顏料、原藥、紙張的生產以及煤的燃燒等過程,都可產生含砷廢水、...
-
農業灌溉水處理材料制備方法詳細介紹 2018-03-31 [污水處理] 熱度:293

今天為廣大朋友介紹的是農業灌溉水處理材料制備方法 農業灌溉水處理材料的制備方法。本發明提出的制備方法是將秸稈焙燒碳化,制備高比表面積多孔結構吸附材料,具體工藝包括粉碎秸稈、制備漿料、成型加工以及高溫焙...
-
鋼鐵企業工業污水處理現狀詳細介紹 2018-03-31 [污水處理] 熱度:250

今天為廣大朋友介紹的是 鋼鐵企業工業污水處理現狀 鋼鐵工業作為高能耗、多排放的行業,在全國節能減排的工作中承擔著重大的責任。我國要進一步降低鋼鐵企業噸鋼耗用新水量、提高鋼鐵企業水的重復利用率,需要積極推廣...
-
廢水中去除及回收銅的方法詳細介紹 2018-03-31 [污水處理] 熱度:531

今天為廣大朋友介紹的是廢水中去除及回收銅的方法 廢水中銅的去除及回收方法,可用于廢水中銅的去除及回收利用,屬于環保技術領域。本方法是首先在含銅廢水中加入氧化銅或氫氧化銅,充分攪拌,使廢水中的銅和其對應...
-
混凝土的專用泵送劑 2018-03-31 [污水處理] 熱度:206

今天為廣大朋友介紹的是混凝土的專用泵送劑 對水泥和攪拌站廢水適應性好,使用方便,生產效率高的利用攪拌站廢水所配制的混凝土的專用泵送劑。該泵送劑組成材料是聚羧酸減水劑,葡萄糖酸鈉,木質素磺酸鈣,三聚磷酸...
-
格柵井以及污水處理系統詳細介紹 2018-03-31 [污水處理] 熱度:630

今天為廣大朋友介紹的是格柵井以及污水處理系統 格柵井以及污水處理系統,包括筒體,所述筒體上設置有進口、出口和清掏口;所述進口設置在所述筒體的一端,所述出口設置在所述筒體的另一端;所述清掏口設置于所述筒體...
-
污水處理壓濾間自動壓濾技術詳細介紹 2018-03-31 [污水處理] 熱度:320

今天為廣大朋友介紹的是污水處理壓濾間自動壓濾技術 污水處理壓濾間自動壓濾裝置,涉及污水處理領域,包括電氣控制柜,兩臺壓濾機,位于兩臺壓濾機之間收集池,位于收集池內的壓濾提升泵;所述兩臺壓濾機通過支架對稱...
- 首頁
- 上一頁
- 17
- 18
- 19
- 20
- 21
- 22
- 23
- 24
- 25
- 26
- 27
- 下一頁
- 末頁
- 共 28頁408條
服務地區:北京;天津;上海;重慶;河北;河南;云南;遼寧;黑龍江;湖南;安徽;山東;江蘇;浙江;江西;湖北;廣西;甘肅;山西;陜西;吉林;福建;貴州;廣東;青海;四川;寧夏;海南
服務地區:哈爾濱;長春;沈陽;南京;濟南;合肥;石家莊;鄭州;武漢;長沙;南昌;西安;太原;成都;西寧;海口;廣州;貴陽;杭州;福州;臺北;蘭州;昆明;銀川;烏魯木齊;拉薩;南寧
補充分類:電廠;工業;游泳池;系統;工程;工程師;藥劑;過濾器;絮凝劑;公司;廠家;生產廠家;