歡迎訪問北京中天恒遠環保設備有限公司官網!
咨詢熱線:010-8022-5898 手機:18610094262
-
移動式環保衛生間糞便污水處理系統 2018-03-31 [污水處理] 熱度:391

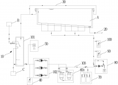
今天為您介紹的是移動式環保衛生間糞便污水處理系統 特別是涉及一種移動式環保衛生間糞便污水處理系統。該處理系統包括調節池、凈化池、加藥桶組成,其中凈化池根據生物降解污水原理進行設計,包括厭氧池、缺氧池、...
-
煤焦油深加工廢水處理工藝 2018-03-31 [污水處理] 熱度:331

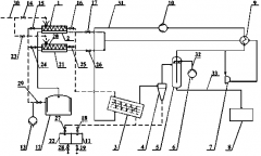
今天為您介紹的是煤焦油深加工廢水處理工藝 陜西省某企業以煤焦油為原料,生產萘油、洗油、輕油、脫酚油、蒽油及瀝青等產品,產品規模為26.5 萬t/a,所排廢水主要為焦油加溫靜置脫水產生的廢水、生產過程中產生的分...
-
放射性廢水中銫去除方法 2018-03-31 [污水處理] 熱度:178

今天為您介紹的是放射性廢水中銫去除方法 含銫廢水主要來源于核工業的核燃料處理 、 原子能發電站的核裂變產物,以及應用放射性同位素的研究機構等,其水量可達數百千克至數萬噸。 其中 137Cs不僅是銫的同位素中半衰...
-
凈化分離方法及其納濾設備 2018-03-31 [污水處理] 熱度:212

今天為您介紹的是凈化分離方法及其納濾設備 高鹽廢水的凈化分離方法及其納濾設備,屬于廢水凈化處理技術領域。為了解決現有的易結垢的問題,提供一種高鹽廢水的凈化分離方法及其納濾設備,該納濾設備包括一內部具有...
-
城市污水管網的規律 2018-03-31 [污水處理] 熱度:253

今天為您介紹的是城市污水管網的規律 城市污水管網是一個收集、 運輸城市污水的系統,是城市水利基建的重要組成部分[1]. 然而,污水在管網內的運輸過程中水質發生了變化,生化需氧量(BOD)、 化學需氧量(COD)會有不同...
-
集成海水淡化濃水零排放方法及裝置 2018-03-31 [污水處理] 熱度:340

今天為您介紹的是集成海水淡化濃水零排放方法及裝置 集成海水淡化濃水零排放和不穩定可再生能源穩定發電的方法及裝置,涉及不穩定可再生能源發電過程、電滲析海水淡化過程和反電滲析鹽差能發電過程,通過反電滲析壓...
-
游泳池循環水處理系統 2018-03-31 [污水處理] 熱度:357

今天為您介紹的是游泳池循環水處理系統 游泳池循環水處理系統,包括與游泳池進水口連接的供水系統、與游泳池出水口連接的排水系統以及與游泳池溢流口連接的溢流系統;所述供水系統包括與游泳池進行水源交換的均衡水箱...
-
MVR過熱蒸汽污泥連續干燥系統 2018-03-31 [污水處理] 熱度:398

今天為您介紹的是MVR過熱蒸汽污泥連續干燥系統 MVR過熱蒸汽污泥連續干燥系統及工作方法,屬于能源與動力等領域。其特征在于:與傳統污泥干燥系統相比,該系統采用干燥器(3),利用過熱蒸汽(31)與待干燥污泥直接換熱,...
-
污泥制磚技術 2018-03-31 [污水處理] 熱度:350

今天為您介紹的是污泥制磚技術 利用制磚方式對剩余污泥進行徹底處置的技術。它是將含水為60%的濕污泥利用磚廠余熱進行干化,以總重量8%10%的比例,同黏土、煤矸石一起作為制磚原料。干化后的污泥進入粉碎車間,進行...
-
夏津縣第三污水處理廠正式破土動工 主要用于處理景區生活污水 2018-03-27 [污水處理] 熱度:395

今天小編為您介紹的是 夏津縣第三污水處理廠正式破土動工,主要用于處理景區生活污水 ,下面是具體內容。 日前,夏津縣第三污水處理廠正式破土動工。 據了解,第三污水處理廠位于我縣黃河故道生態旅游區,主要用于處...
-
長島縣將進行綜合管網工程改造 計劃投資約8300萬元 2018-03-27 [污水處理] 熱度:334

今天小編為您介紹的是長島縣將進行綜合管網工程改造,計劃投資約8300萬元,下面是具體內容。 長島縣計劃投資約8300萬元進行綜合管網工程改造,完成文化街、通海路、迎賓街、影劇院-毛紡廠、北長山(西段)等總長為9.2...
-
開陽縣南江鄉污水處理工程預計6月初可完成建設并投入使用 2018-03-27 [污水處理] 熱度:313

今天小編為您介紹的是開陽縣南江鄉污水處理工程預計6月初可完成建設并投入使用,下面是具體內容。 開陽縣南江鄉污水處理工程位于南江鄉集鎮附近,該工程建設規模為新建日處理400立方米污水處理廠一座,新建污水管網...
-
簡單介紹廢水處理設備常用的藥劑(圖文) 2018-01-27 [污水處理] 熱度:334

中天恒遠編輯李德馨給您簡單的介紹 廢水處理設備常用的藥劑 ,幫助對廣大用戶朋友有所啟發。 我們公司生產的污水處理設備有以下特點: 第一,廠家直銷,價格實惠;第二,專業定制,質量保障;第三,設計師團隊,制定專...
-
工業廢水處理設備的運作要求有哪些?(圖文) 2018-01-27 [污水處理] 熱度:348

中天恒遠編輯李德馨給您簡單的介紹 工業廢水處理設備的運作要求有哪些? 幫助對廣大用戶朋友有所啟發。 我們公司生產的污水處理設備有以下特點: 第一,廠家直銷,價格實惠;第二,專業定制,質量保障;第三,設計師團...
-
簡單介紹食品污水處理設備用電方面的安全標準(圖文) 2018-01-27 [污水處理] 熱度:422

中天恒遠編輯李德馨給您簡單的介紹 食品污水處理設備用電方面的安全標準 ,幫助對廣大用戶朋友有所啟發。 我們公司生產的污水處理設備有以下特點: 第一,廠家直銷,價格實惠;第二,專業定制,質量保障;第三,設計師...
- 首頁
- 上一頁
- 20
- 21
- 22
- 23
- 24
- 25
- 26
- 27
- 28
- 下一頁
- 末頁
- 共 28頁408條
服務地區:北京;天津;上海;重慶;河北;河南;云南;遼寧;黑龍江;湖南;安徽;山東;江蘇;浙江;江西;湖北;廣西;甘肅;山西;陜西;吉林;福建;貴州;廣東;青海;四川;寧夏;海南
服務地區:哈爾濱;長春;沈陽;南京;濟南;合肥;石家莊;鄭州;武漢;長沙;南昌;西安;太原;成都;西寧;海口;廣州;貴陽;杭州;福州;臺北;蘭州;昆明;銀川;烏魯木齊;拉薩;南寧
補充分類:電廠;工業;游泳池;系統;工程;工程師;藥劑;過濾器;絮凝劑;公司;廠家;生產廠家;